
| Ciężar netto [g] | 3400 |
| nr EAN | 5908281469323 |
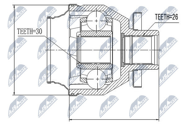
Dodatkowe informacje o produkcie Zestaw przegubu, wał napędowy NPW-VW-014 NTY
| VOLKSWAGEN | 7H0407331E | |
| VOLKSWAGEN | 7H0498103C | |
| VOLKSWAGEN | 7H0498103CX | |
| VOLKSWAGEN | 7H0498103E | |
| VOLKSWAGEN | 7H0498103EX |
Zastosowanie Zestaw przegubu, wał napędowy NPW-VW-014 NTY w samochodach:
Opinie Klientów o Zestaw przegubu, wał napędowy NPW-VW-014 NTY:
Przegub napędowy pośredniczy w przekazaniu napędu z silnika na koło pojazdu. Przegub napędowy napędzany jest bezpośrednio półosią napędową i często stanowi jej integralną część.
Zazwyczaj występują dwa rodzaje przegubów napędowych: zewnętrzny przegub od strony koła oraz wewnętrzny przegub od skrzyni biegów. Przegub napędowy jest wrażliwy na zanieczyszczenia które mogą się do niego dostać przez nieszczelną bądź uszkodzoną osłonę przegubu. Dlatego należy regularnie oglądać stan osłon przegubu napędowego podczas okresowych przeglądów pojazdu. Objawem uszkodzenia zewnętrznego przegubu napędowego jest charakterystyczne terkotanie przy skręconej kierownicy podczas ruchu pojazdu.
NTY Jest azjatyckim producentem średniej jakości części samochodowych. Zakres produkowanych części zamiennych jest duży od elementów zawieszenia, przeniesienia napędu poprzez części silnikowe i elektryczne. Jedną z większych zalet części producenta NTY jest dobry stosunek cena - jakość.