
| Strona zabudowy | Oś przednia po obydwu stronach |
| Grubość 2 [mm] | 13,5 |
| Grubość 1 [mm] | 15,08 |
| Średnica wewnętrzna 2 [mm] | 40,99 |
| Średnica wewnętrzna 1 [mm] | 45,24 |
| Średnica zewnętrzna 2 [mm] | 67,98 |
| Średnica zewnętrzna 1 [mm] | 77,79 |
| Wysokość 2 [mm] | 18 |
| Wysokość 1 [mm] | 19,84 |

| Strona zabudowy | Oś przednia |
| Strona zabudowy | Oś przednia |
| Strona zabudowy | Oś przednia |
| Strona zabudowy | Oś przednia |
| Strona zabudowy | Oś przednia |
| Strona zabudowy | Oś przednia |
| Strona zabudowy | Oś przednia |
| Strona zabudowy | Oś przednia |
| Strona zabudowy | Oś przednia |
| Strona zabudowy | Oś przednia |
| Strona zabudowy | Oś przednia |
| Strona zabudowy | Oś przednia |
| Strona zabudowy | Oś przednia |
| Strona zabudowy | Oś przednia |
| Strona zabudowy | Oś przednia |
| Strona zabudowy | Oś przednia |
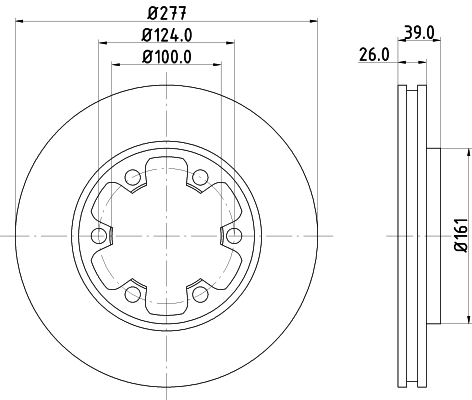
| średnica zewnętrzna [mm] | 277 |
| Grubość tarczy hamulcowej [mm] | 26 |
| Typ tarczy hamulcowej | wentylowany wewnętrznie |
| Minimalna grubość [mm] | 24 |
| Wysokość [mm] | 39 |
| Wzór otworów/Ilość otworów | 06/06 |
| Ø rozmieszczenia otworów [mm] | 124 |
| Średnica otworu centrującego [mm] | 100 |
| Ciężar [kg] | 7,2 |
| Artykuł uzupełniający / informacja uzupełniająca | bez piasty koła |
| Artykuł uzupełniający / informacja uzupełniająca | bez sworznia mocującego koła |
| Techniczny numer informacyjny | 52321 |
| nr EAN | 4082300367584 |

| Strona zabudowy | Oś przednia |
| średnica zewnętrzna [mm] | 277 |
| Wysokość [mm] | 39 |
| Grubość tarczy hamulcowej [mm] | 26 |
| Minimalna grubość [mm] | 24 |
| Średnica otworu centrującego [mm] | 100 |
| Ø rozmieszczenia otworów [mm] | 124 |
| Ilość otworów | 6 |
| Typ tarczy hamulcowej | wentylowany |
| Wymagana ilość | 2 |
| nr EAN | 4040074071175 |

| Rok prod. od | 199303 |
| Rok prod. od | 199303 |
| Rok prod. od | 199303 |
| Rok prod. od | 199303 |
| Rok prod. do | 199606 |
| Rok prod. do | 199606 |
| Rok prod. do | 199606 |
| Rok prod. do | 199606 |
| Strona zabudowy | z przodu |
| Strona zabudowy | z przodu |
| Strona zabudowy | z przodu |
| Strona zabudowy | z przodu |
| Strona zabudowy | z przodu |
| Strona zabudowy | z przodu |
| Strona zabudowy | z przodu |
| Strona zabudowy | z przodu |
| Strona zabudowy | Oś przednia |
| Strona zabudowy | Oś przednia |
| Strona zabudowy | Oś przednia |
| Strona zabudowy | Oś przednia |
| Strona zabudowy | Oś przednia |
| Strona zabudowy | Oś przednia |
| Strona zabudowy | Oś przednia |
| Strona zabudowy | Oś przednia |
| Rok prod. od | 199303 |
| Rok prod. od | 199303 |
| Rok prod. od | 199303 |
| Rok prod. od | 199303 |
| Rok prod. do | 199606 |
| Rok prod. do | 199606 |
| Rok prod. do | 199606 |
| Rok prod. do | 199606 |
| Strona zabudowy | z przodu |
| Strona zabudowy | z przodu |
| Strona zabudowy | z przodu |
| Strona zabudowy | z przodu |
| Strona zabudowy | z przodu |
| Strona zabudowy | z przodu |
| Strona zabudowy | z przodu |
| Strona zabudowy | z przodu |
| Strona zabudowy | Oś przednia |
| Strona zabudowy | Oś przednia |
| Strona zabudowy | Oś przednia |
| Strona zabudowy | Oś przednia |
| Strona zabudowy | Oś przednia |
| Strona zabudowy | Oś przednia |
| Strona zabudowy | Oś przednia |
| Strona zabudowy | Oś przednia |
| Masa [g] | 890 |
| Średnica zewnętrzna 1 [mm] | 77,788 |
| Średnica wewnętrzna 1 [mm] | 45,242 |
| Szerokość 1 [mm] | 19,842 |
| nr EAN | 3413520651824 |

| Rok prod. od | 199605 |
| Rok prod. od | 199605 |
| Rok prod. od | 199605 |
| Rok prod. od | 199605 |
| Rok prod. do | 199606 |
| Rok prod. do | 199606 |
| Rok prod. do | 199606 |
| Rok prod. do | 199606 |
| Strona zabudowy | Oś tylna |
| Strona zabudowy | Oś tylna |
| Strona zabudowy | Oś tylna |
| Strona zabudowy | Oś tylna |
| Strona zabudowy | Oś tylna |
| Strona zabudowy | Oś tylna |
| Strona zabudowy | Oś tylna |
| Strona zabudowy | Oś tylna |
| Rok prod. od | 199605 |
| Rok prod. od | 199605 |
| Rok prod. od | 199605 |
| Rok prod. od | 199605 |
| Rok prod. do | 199606 |
| Rok prod. do | 199606 |
| Rok prod. do | 199606 |
| Rok prod. do | 199606 |
| Strona zabudowy | Oś tylna |
| Strona zabudowy | Oś tylna |
| Strona zabudowy | Oś tylna |
| Strona zabudowy | Oś tylna |
| Strona zabudowy | Oś tylna |
| Strona zabudowy | Oś tylna |
| Strona zabudowy | Oś tylna |
| Strona zabudowy | Oś tylna |
| Masa [g] | 960 |
| nr EAN | 3413520696498 |

| Strona zabudowy | Oś przednia |
| Strona zabudowy | Oś przednia |
| Strona zabudowy | Oś przednia |
| Strona zabudowy | Oś przednia |
| Strona zabudowy | Oś przednia |
| Strona zabudowy | Oś przednia |
| Strona zabudowy | Oś przednia |
| Strona zabudowy | Oś przednia |
| Strona zabudowy | Oś przednia |
| Strona zabudowy | Oś przednia |
| Strona zabudowy | Oś przednia |
| Strona zabudowy | Oś przednia |
| Strona zabudowy | Oś przednia |
| Strona zabudowy | Oś przednia |
| Strona zabudowy | Oś przednia |
| Strona zabudowy | Oś przednia |
| średnica zewnętrzna [mm] | 277 |
| Grubość tarczy hamulcowej [mm] | 26 |
| Typ tarczy hamulcowej | wentylowany wewnętrznie |
| Minimalna grubość [mm] | 24 |
| Wysokość [mm] | 39 |
| Wzór otworów/Ilość otworów | 06/06 |
| Ø rozmieszczenia otworów [mm] | 124 |
| Średnica otworu centrującego [mm] | 100 |
| Ciężar [kg] | 7,2 |
| Artykuł uzupełniający / informacja uzupełniająca | bez piasty koła |
| Artykuł uzupełniający / informacja uzupełniająca | bez sworznia mocującego koła |
| Długość opakowania [cm] | 31,5 |
| Szerokość opakowania [cm] | 30 |
| Wysokość opakowania [cm] | 10 |
| Techniczny numer informacyjny | 98200 0590 0 1 |
| nr EAN | 4019722112942 |
Przeglądasz części samochodowe z kategorii łożysko koła do Nissan TERRANO II (R20) 2.4 i 12V 4WD.
W ofercie naszego sklepu znajdziesz auto części z wybranej kategorii dedykowanych dokładnie do pojazdu Nissan TERRANO II (R20) 2.4 i 12V 4WD produkowanego od 1993.02 do roku 1997.12
Jeżeli twój Nissan dysponuje silnikiem o mocy 124 KM, to zapraszamy do zakupu w naszym sklepie interesujących części z wybranej przez ciebie kategorii i wielu innych, takich jak zestaw rozrządu, skraplacz klimatyzacji, klocki hamulcowe, filtr powietrza
Masz wątpliwości? Nie jesteś pewien czy potrafisz prawidłowo dobrać części z kategorii łożysko koła do Nissan TERRANO II (R20)? Napisz do nas. Chętnie pomożemy w dobraniu właściwych części zamiennych.
Możesz złożyć zamówienie na łożysko koła do Nissan TERRANO II (R20) w naszym sklepie z częściami i mieć pewność, że będzie to to produkt wysokiej jakości, spełniający standardy producenta auta marki Nissan z rocznika od 1993.02 do roku 1997.12, i mocy silnika 124 KM
.
Zestawy naprawcze przekładni kierowniczych
29-09-2025

Jak ważna jest wymiana filtrów
25-06-2025

Rodzaje świec zapłonowych i ich zastosowanie
08-05-2025

Świece zapłonowe, które wybrać?
28-04-2025

Jaki płyn chłodniczy wybrać do swojego auta?
21-04-2025

Najczęstsze przyczyny uszkodzeń tarcz hamulcowych.
15-04-2025