
| Napięcie znamionowe [V] | 12 |
| Artykuł uzupełniający / informacja uzupełniająca | z łącznikiem |
| nr EAN | 8436034413257 |
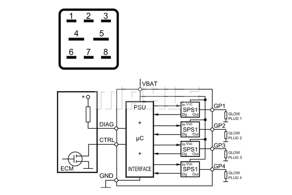
Dodatkowe informacje o produkcie Sterownik, czas żarzenia MHG 14 MAHLE
CLIO II, MASTER II, MEGANE I Grandtour, SCÉNIC I, LAGUNA II, LAGUNA II Grandtour, TRAFIC II
LOGAN, LOGAN MCV, SOLENZA, SANDERO, SUPERNOVA, LOGAN EXPRESS, DUSTER
ASTRA G, ARENA, ARENA Combi, MONTEREY B, FRONTERA B, MO, ZAFIRA A
ALMERA TINO, ALMERA II Hatchback, MAXIMA, ALMERA II, X-TRAIL I, PRIMERA, PRIMERA Hatchback
8200859243
4419200, 93862497
11067JD50C, 2523080A0A
| MERCEDES-BENZ | 6079000100 | |
| MERCEDES-BENZ | A6079000100 | |
| NISSAN | 11067JD50C | |
| NISSAN | 2523080A0A | |
| OPEL | 4419200 | |
| OPEL | 93862497 | |
| RENAULT | -82008-59243 |
Zastosowanie Sterownik, czas żarzenia MHG 14 MAHLE w samochodach: