
| Napięcie znamionowe [V] | 12 |
| Czas wstępnego żarzenia [s] | 7 |
| Artykuł uzupełniający / informacja uzupełniająca | z łącznikiem |
| nr EAN | 8436034411574 |
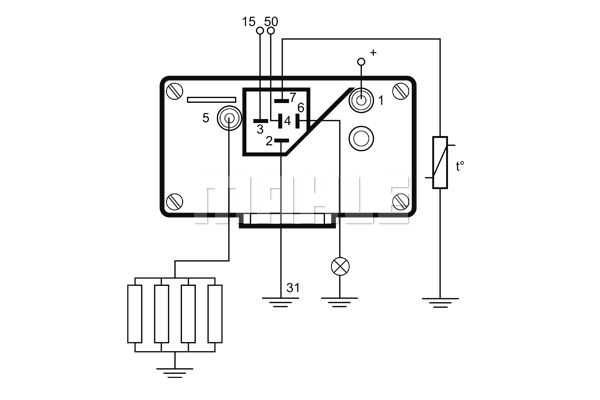
Dodatkowe informacje o produkcie Sterownik, czas żarzenia MHG 29 MAHLE
166, 147, GT, 159, BRERA, SPIDER, MITO
VOYAGER IV, 300M, NEON II, PT CRUISER, SEBRING, CROSSFIRE, 300C
04686062, 4686062
| CHRYSLER | 04686062 | |
| CHRYSLER | 4686062 | |
| FIAT | 162064501000 | |
| FIAT | 605078062 | |
| FIAT | 605078070 | |
| FIAT | 605139290 | |
| NISSAN | -11067-D9702 | |
| VOLVO | 30872555 |
Zastosowanie Sterownik, czas żarzenia MHG 29 MAHLE w samochodach: